Large Pictures   Chapter 11.4

Some Viking sword hilts that could be found in the Copenhagen museum
   100%
Viking swords; Copenhagen museum
Link to text Source: First one: Photographed in the Metropolitan museum 2013; next two: Photographed in the Copenhagen museum (2012 and 2014); last two: from the Internet pages of the museum.
   
Some Viking swords as exhibited in the museum in Bergen; Norway.
One blade is clearly pattern welded, two carry inscriptions of some kind.
 
Viking swords; Bergen museum
Link to text Source: Wikipedia; Bryggens Museum in Bergen; Norway
   
Some Viking swords as exhibited in the museum in Helsinki, Finland
 
Viking swords:; Helsinki museum
Link to text Source: Photographed 2014 in the Helsinki Museum
   
Some "precious" hilts of Viking swords.
 
Viking swords with precious hilts Blatnica sword; Budapest
Source: Internet at large; many sources, in particular sword forum. The Blatnica sword hilt was photographed 2015 in the Budapest museum
Pattern welded silve hilt sword; Viking exhibition, Berlin 2014
Link to text Source: 2014 Berlin Viking exhibition.
   
Frankish sword wielders from the "Stuttgarter psalter"" from 825 AD.
 
Stuttgart Psalter; Sword types
Link to text 1 Link to text 2 Source: Württembergische Landesbibliothek, Stuttgart; on-line library
   
Swords displayed in the Haithabu museum in North Germany.
Haithabu was a large Viking settlement at a strategically important place for controlling East - West
trade in Northern Europe; look at this map. The swords shown must have belonged to high-up guys,
chieftains or kings. They are almost certainly of Frankish origin even so Haithabu had many blacksmith making a
wealth of everyday iron objects.
The last one on the far right might be the exception. It is rather plain but sports an inlaid copper cross on the blade;
see the close-up below.
Most of the swords are encrusted with remnants of the scabbard and it is impossible to
see if they are pattern welded or not. The rather dim illumination doesn't help either.
 
Wiking swords from Haithabu
Link to text Source: Photographed a the Haithabu Museum, Schleswig, Germany
 
Some details of the swords above.
 
Details Haithabu swords
Source: Photographed a the Haithabu Museum, Schleswig, Germany
   
Here is a sword (hilt) shown in the Neues Museum in Berlin that is almost identical to the one above .
 
Viking sword hilt; Neues Museum, Berlin
Source: Photographed in the "Neues Museum", Berlin.
   
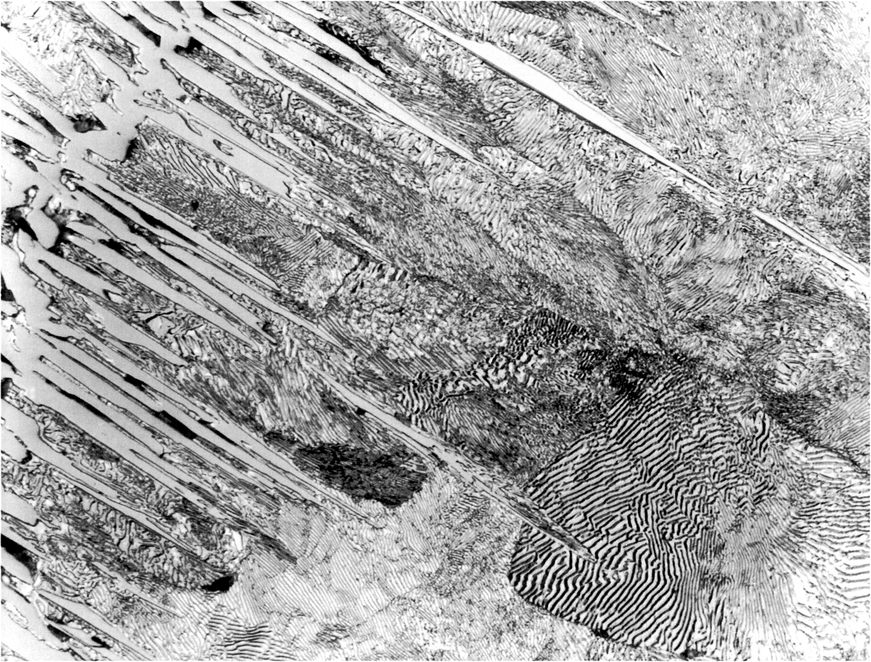
Metallograpy of an all-steel sword from the 9th century found im Moravia; Czech Republic.
 
Metallography Frankish all-steel sword; Moravia: 
9th century
Link to text 1 Source: Jirí Hošek, Jirí Košta, Patrick Bárta
   
Metallograpy of a second all-steel sword from the Moravia 9th century grave yard.
 
Metallography Frankish all-steel sword; Moravia: 
9th century
Source
   
The other empires and cultures around the Frankish Empire at the death of Charlemagne in 814 AD
 
Empires in Europe / Midel East in AD 814
Link to text Source: Internet a lage; obscure
   
Here is a large version (with enhanced contrast) of the picture in the Psalterium Aureum.
It shows a scene from the tales around King David; here the taking and pillaging of the city of Edom.
Psalterium Aureum; taking of Edom
Link to text Source: http://www.e-codices.unifr.ch/de/description/csg/0022
 
 

Ulfberht Swords

Below are the Ulfberht swords from the 2014 Berlin Viking exhibition
I apologize for the bad quality but picture taking was not permitted and the illumination
- as seems to be the present custom - was shitty.
They are from (not quite in the order going down; the museum didn't provide details):
1. Peltomaa, Häme, Finnland; 2. Wiskiauten / Mochewoje, Obl. Kaliningrad, Russia;
3. Berlin, 4. Awecken, Awajki, Woj. Ermland-Masuren, Poland; 5. Schwedt, Brandenburg, Germany
(see also below) 6. Unknown place in Norway;
(with some chain mail found at the same place), 7. Ostrów Lednicki, Poland
 
Ulfberht swords; Viking exhibition, Berlin 2014
Ulfberht swords; Viking exhibition, Berlin 2014
 
Ulfberht swords; Viking exhibition, Berlin 2014
Link to text
   
Here is an Ulfberht sword that was sold for € 13.000 in 2012 by Bonhams:
 
Ulfberht sword sold by Bonhams in 2012
Link to text
     
Here is another Ulfberht sword that was sold at an auction in Brussels in 2011 for € 14.000 by Hermann Historica & Pierre Bergé.
It is dated to 1050 - 1150 and extremely well preserved.
 
Link to text
     
Here is a splendid Ulfberht from the achaeological museum in Dublin / Irland.
It is known as the Ballinderry Sword and here is what the museum has to say about it:
The first known piece of German technology in Ireland dates to the mid-9th century.
It is a superb sword marked with the name of its maker Ulfberht. The Vikings, who
had a huge impact on Irish history, bought blades from high quality workshops in
the Rhineland. Ulfberht was the brand name of a master whose blades have been
found as far east as Russia and as far west as the lake dwelling in Ballinderry, County
Westmeath where this sword was found in 1928. His name had such prestige that
there is even evidence of cheaper copies pretending to be Ulfberht originals: an early
example of brand piracy.The Ballinderry sword is one of Ulfberht’s finest. It tells us a
lot about the mixing of cultures: the blade is German, the hilt and pommel are
Scandinavian and the whole thing belonged to an Irish chieftain. He acquired it, possibly
in battle but more probably through trade with Viking Dublin. It suggests that the
newcomers created a kind of arms race among the native Irish. This was, quite literally,
cutting-edge technology and the Irish, not for the last time, had to adapt to it.
The National Museum of Ireland – Archaeology
     
 
Ulfberht sword from Dublin
Ulfberht sword duin
     
Here is the Hamburg Ulfberht sword. It's inscription is not easily "readable" any more but it is clear that the letters
were made from striped (and twisted) rods
Both, cutting edge and bulk shows a kind of "striation" along the length of the blade. That can be seen as strong indication
that the material was faggoted and piled.
It that interpretation is correct, at least this "true" Ulfberht sword has not been made from crucible steel as claimed
by Alan Williams.
 
Ulfberht sword; Hamburg
Link to text
Now I have some funny ones! First another Ulfberht from Hamburg - or so the figure captions claims
("das Ulfberht Schwert - Exportschlager aus dem Frankenreich" (The Ulfberht sword - major export item from the Frankish empire)
in some Google sponsored web site. Second, one from a recent (Nov. 2017) auction of Hermann Historica, advertised
(my translation) as "Viking sword, Middle Europe, 9th century; ... difficult to read inscription (Ulfberht)?.

Their funny because you must imbibe quite a bit if something good before you can make out an "Ulfberht" on those swords.
They are definitely made from folded (or faggoted) steel, though and thus are definitely not made from wootz steel.
 
Ulfberht sword; Hamburg
 
 
Link to text
   
Here is the Nuernberg Ulfberht sword. It was found in the Rhine close to Mannheim (South Germany) and
is dated to the 9th century.
It's inscription is very well preserved and reads: +VLFBEHT+. It thus contains a "typo" and wouldn't be counted
among the "true" Ulberhts.
The two lower pictures show the Ulfbehrt together with a colleague from the front and the backside. .
The "colleague" was found in the Danube in Bavaria, dates to the 9th / 8th century and has some more
decorative inlay on the front and the back. The Ulfbehrt also has some structure on the back
but it is difficult to see details-.
 
Ulfberht sword; Nuernberg
Ulfberht sword; Nuernberg
Link to text
     
Two more Ulfbehrt's follow that I found in unexpected places.
The first one lives in the "Archäologisches Landesmuseum Brandenburg". It is a genuine Ulfbehrt
although I couldn't quite make out the spelling group it belongs to. Here it is:
 
 
Ulfberht sword; Brandenburg
Ulfberht sword; Brandenburg
Link to text  
 
The second unexpected Ulfberht is in the "Stadtmuseum Aachen". There is definitely an inscription,
probably a variant of "Ulfberht", but it is not possible to see details.
 
Ulfberht sword; Aachen
Link to text  
   
Yet another Ulfbehrt from the "Deutsches Klingenmuseum Solingen".
It is decribed in the book given in the link
 
 
Ulfberht sword; Solingen
Link to text  
   
The so far last Ulfbehrt from an auction house (once more Hermann Historica),
coming up for bidding in May 2020. It starts at € 15.000.-
 
 
Ulfberht sword; Hermann Historica
Link to text  
   
The map show the travel route of Vikings, including how far they went down some major rivers.
The rivers themselves may go on, and that is not shown.
 
Vikings, map, travel routes, rivers cities
Link to text 2 Link to text 2  
 
Here is the front page of the "Süddeutsche Zeitung" from Oct. 25th 2014, advertising a
large Ulfberht article in its "science" pages. The article is (surprisingly) good. It reports
recent findings from the newest Ulberht sword found in 2014 in the river Weser in North Germany,
and that these findings do not quite support the "steel from the East" hypothesis.
 
 
Ulfberht article Sueddeutsche Oct. 2014
Link to text
     
The "Weser" Ulfberht. The pommel was covered with a lead-tin
(?) alloy, and the lead comes from a mine in the "Rheinisches Schiefergebirge", not far from
the old and powerful monasteries of Fulda and Lorsch
in the heartland of the Frankish empire; just a bit south-east of Cologne in the map above.
Both monasteries were producers of weapons, say historians.
 
Ulfberht sword, Weser 2014
Link to text
     
Hypereutectoid bloomery steel (about 0.9 % carbon) from Schmalkalden, probably 18 th century.
Massive cementite needles are running into a pearlitic structure.
Is there slag? Maybe yes (the black regions), but it is not certain.
(Buchwald II; p. 219)
 
Ancient steel, no visible slag
Link to text
     
Silver denars from "Arabia" (actually Samarkand / Iran) brought back to Denmark by the Vikings.
 
Viking silver denars from Arabia
Link to text Source: Photographed 2015 in the Moesgaard museum  
     
Here are some details of one of the Viking swords displayed in the Stockholm Archaeological Museum. Clearly visible is:
  • Pattern welding with a "fishbone pattern" on both sides closer to the hilt and a "flower / curlicue" pattern farther down. This necessitates to use very thin twisted rods and thus indicates a veneer type of structure.
  • An inlay with an "S" type shape on one side of the blade; it is shown enlarged at the bottom of the picture below. The "S" is obviously made from a thin untwisted striped rod.
  • A stripes structure of the steel used for the cutting edges. This may indicate faggoting
 
Patern welded Viling sword, Stockholm
Link to text Source: Photographed 2015 in the Stockholm Archaeological Museum  
     
Here is an "Ingelrii" sword; shown in Hannovrr, Germany. It was found in the
"Devils Bog" near Worpswede and was dated to the 11th century.
The inscription (probably with twisted rods) has disappeared, only the grooves remained
 
Ingelrii sword Hannover
Ingelrii sword Hannover
Link to text Source: Photographed 2016 in the "Niedersächsisches Landesmuseum" in Hannover, Germany  
     

With frame With frame as PDF

go to Books and Other Major Sources

go to Sword Types

go to Damascene Meanings

go to Fire Welding

go to

go to Critical Museum Guide: Metropolitan Museum, NYC

go to Critical Museum Guide: Landesmuseum Württemberg; Württemberg State Museum, Stuttgart, Germany

go to Critical Museum Guide: Museums in Copenhagen

go to Critical Museum Guide: "The Vikings" Special Exhibition from Oct. 2014 - Jan. 2015 in the Martin-Gropius-Bau

go to Critical Museum Guide: Moesgaard Museum in Aarhus; Denmark

go to Critical Museum Guide: Neues Museum in Berlin, Germany

go to Germanisches Nationalmuseum, Nürnberg, Germany

go to Cyprus Museum

go to Museums in Athens and Olympia

go to Nydam

go to Danish Bog Sacrifices

go to 11.4.2 Blades of Viking Era Swords

go to Sword Polishing and Revealing the Pattern / Structure

go to Faggoting

go to 11.4.3 Ulfberht Swords

go to The Frankish Empire And Its Swords

go to "Damascene" Patterns

go to Illerup Swords with Special Patterns

go to 11.4. The Transition to All-Steel Swords / 11.4.1 Viking Swords

go to Serpent in the Sword

go to Illerup Ådal

go to Northern Sword Types of the First Millennium

go to Käthe Harnecker and Wootz Blades

go to Additional Pictures

go to Vikings

go to Additional Pictures chapter 11.4

go to Last Charcoal Smelter in Germany

go to Moravian 9th Century Swords

go to Some Less Important

go to Maps of Various Cultures

go to Mythology of Wootz Swords: Cutting a Stone

© H. Föll (Iron, Steel and Swords script)