Luristan Swords

IMAS 11

Note: The “Lurtistn Sword” paged will be formatted somewhat differently (simpler) than the rest. As I grew older, my eyes deteriorated to a point where I can just barely type stuff in my html editor. I apologize for typos and perfectly spelled but wrong words produced by the erroe correction without me noticing.
Transferred to Royal Museums of Art and History un Brussels. Here aere some high-resolution pictures
 
From the project report
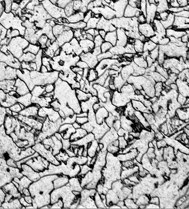
4. Schwert IR 3746 4.1
Übersicht
Fig. 4: Schwert IR3746 mit Hauptdaten.
     IR3746
Bezeichnung Antrag: Luri 4

Altersbestimmung:
C-Konzentration C14 Probe: 0.6 %
C14 Alter: 1006 – 901 calBCE

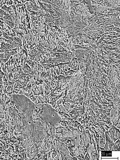
Metallographie: Es wurden zwei Proben entnommen (a und b)
. Poliert, Nital und Oberhoffer geätzt Ca. 440 Bilder im Lichtmikroskop Ca. 10 Bilder im REM, inkl. vieler. EDX

Analysen. Typisches Rennofeneisen, inhomogene Struktur; C-Konzentration in Bereich 1 sehr hoch (< 0,7 %). Beide Proben sind (erstaunlicherweise) sehr ähnlich

Härte zwischen 118 und 228 mHV.

Verbleib:
Das Schwert wurde bereits an das Museum in Brüssel übereignet, da es dringender Konservierungsmaßnahmen bedurfte.
     
Fig. 4-1: Schwert IR3746. Übersicht der Nital-geätzten Probe. Aus zahlreichen Einzelbildern zusammengesetzt.
     
Fig. 4-2: Schwert IR3746. REM Aufnahme zeigt dichtes Perlitgefüge im Bereich 1.
 
Fig. 4-3: Schwert IR3746. Ferritgefüge mit wenig Perlit im Bereich 2.
     
4.3 Daten zur Altersanalyse
 
 
 
The age given is

1006 – 901 lBCE

Thar could be about right. Yes - but consider:
The C14 age determination gives the age of the carbon found inside the iron. If that carbon originated form the charcoal used for smelting the iron, its age would be sufficiently close to the age of the iron / sword.
 
However!

The iron ore or in the materials used for the smelter might contain carbonates; i.e. the CaCO3 of limestone or iron ore in the form of iron carbonate, FeCO3. The carbon in these minerals is extremely old and if some of it gets into the smelted iron, the mix of mineral carbon and charcoal carbon would always give an age large than that of the charcoal carbon. The results thus must be seen as only giving a limit to the age of the sword, It always could be younger than the number found, but never older.

For some swords used in the “Luristan project”, large scale pictures have been made which I will show here top preserve them for eternity. They are shown only ¼ of their original size. You can restore the original size by copying the picture and inserting it into some image processor. S

ince we can be rather sure that IMAS were not made for a long time period but for probably less than a 100 years at the end of the Luristan “metal working time”, we can say from this result that IMAS were made after 1000 BC. That ti snot much as a result but it is something; more than what we knew for sure before our project.
 

With frame With frame as PDF

go to Large Pictures - Chapter 11.1

go to First Iron Swords - Luristan Type 1 Iron Swords

© H. Föll (Iron, Steel and Swords script)