11.1.3 The Luristan Iron Sword

  The Enigma of the Luristan Iron Swords
 
Luristan sword
Meet King Luri. Here is another one
Here are more Luristan swords
This is king Luri. He has been dead 3000 year or so but nevertheless challenges you to solve his riddle:    (How was I made?). Luri is made from iron just as the rest of the very old Luristan iron mask sword he is part of. Nobody, as far as I can tell, knows for sure how he was made.
Yes, indeed: The beginning of the iron sword starts with a veritable puzzle, actually several puzzles in one: The mystery of the "Luristan iron sword". But before I go into this we must pay attention to our little game:
   

Who made the first iron swords,
when and where?

Science Link Hub

First iron swords
  The first bronze swords (more like daggers, actually) were from around 3000 BC. Small iron objects (including King Tut's iron and gold dagger) were often, if not always, made from meteoritic iron and appeared well before the "official" beginning of the iron age in 1200 BC. But when did complex objects like swords that were made from bloomery iron make their debut?
You know the standard answer by now: Who knows? I have devoted the two special modules to that question;one of which goes intoo great detail. The tentative answer seems to be:
Advanced Link

Early Fe swords

Complex iron objects like the Luristan
swords appeared around 800 BC

Luristan is definitely a major contender for first iron swords but early celtic swords also fit into that scenario. Not only are the well-known Luristan iron "mask" swords (or type 1 swords) from around 800 BC, there is also another (and possibly somewhat earlier) line of Luristan iron swords as shown below . I call these swords Luristan iron swords type 2 just for ease of writing.
Luristan; type 2 iron sword
Luristan iron sword of type 2
More pictures here, here, or here.
Source: This sword has a trick history but is now kept in the Royal art and historx museum in Brussels, Belgium
What we need to know now is that the Luristan iron technology evolved from an older tradition of very skilled bronze work. Luristan is also not so far from the places where iron smelting was invented or at least practiced very early on.
Now I need to answer hat question you got desperate to ask: What the hell is Luristan?
Chances ar that you have never heard of Luristan before so the first .thing to do is to show it on a map. Here is Luristan:
Luristan
Luristan and potent neighbors around 1000 BC
Source: Internet
Luristan occupies a remote corner up in the high mountains of the Zagros. It is still a remote corner in present day Iran and has never amounted to much as far as empires, large cities or other "high culture" stuff is concerned.
As far as I can make out, Luristan was also of no particular importance 3000 years ago. Luristan had mighty neighbours, however, like the Elamites, Sumerian / Babylonians, Assyrian, Iranians and so on who controlled its mountainous region on and off.
Luristan is known now as the region from which enormous amounts of grave goods, mostly bronze objects made it into shady international markets around 1920. The Luristanis started to dig up the graves of their forebears and sold what they found via the basars in Teheran and elsewhere. Many thousands of high-quality bronze objects were unearthed and are still bought and sold at antiquity auctions.
If the digging was illegal is hard to tell. The Luristanis in 1920 were possibly not even aware of their menbershio in the state of Iran. That some unknown government should have more rights to the grave goods of their ancestors than the local people would probably have been an alien thought to them
However one looks at that issue, one fact remains: All these objects are without the scientific context that can only result from professional excavations. None of the objects can be dated, for example, because no organic residue amenable to a C14 analysis comes with them.
Lots of fakes and ancient objects from somewhere else but marked as "Luristan" also appeared and are still out there. Since nobody knows exactly where the "Luristan" objects came from and how they relate to other stuff from that time, their value for unraveling history is extremely limited.
However, some objects bear inscriptions of names that are known, some are similar to other stuff with know provenances, and some could be dated by modern methods. Moreover, real archaeologists have conducted excavations in the area and a lot was learned about the Luristan culture.
More to that in the "Luristan" (advanced) link
 
Advanced Link

Luristan
Of interest to us here are the iron swords from Luristan since they seem to be among the "first" ones. Once more, there are two kinds.
  1. The rather well konwn "mask swords" or type 1, the major topic here. About 100 mask swords are around, and all but one come from the illicit digging in the early 20th century. They are unlike any other sword ever found and have no obvious relation to older bronze swords (fofwhich there are thousands).
  2. The rather little known straight and long iron swords (type 2; see above)) with close similarities to bronze swords. Pictures of these swords are shown here and here.
Here we only look at the type 1 Luristan iron mask swords since very little is known about type 2. There are about a hundred or so mask swords about, and they are remarkably similar. Swords of the Royal Ontario Museum and the Massachusetts Institute of Technology could be recently dated to 1094 BC +/- 60 years by radiocarbon analysis. That result was a surprise to archaeologists and researchers, as the prevailing opinion until that point was that these daggers or swords came from ca. 800 BC – 550 BC. One must bear in mind, however, that dating steel by dating the carbon contained in it is not easy, and results at present must be taken with a grain of salt.
I actually started a small project about dating and investigating Luristan mask swords and some of the results will be given in the "Luristan Special" link.
For now we just note:
 
Advanced Link Hub

Luristan Special
   

C14 dating of Luristan swords is not reliable


As you know, Luristan iron swords have exercised me already quite a bit; in the links below you can find out why:
The following picture shows four of those swords, all of them owned by big respectable museums in the countries noted.
Iron swords from Luristan
Four Luristan iron swords
Large pictures of different ones
More Luristan swords
Source: "Maryon" 1); Muscarella's Book,
On a first glance these swords look rather like oversized daggers or dirks - and a bit weird. Certainly not awe-inspiring. So where is the enigma, the puzzles? Where they made from a high-quality steel, perhaps?
Certainly not. Let's get this out of the system right away: Around 1000 BC nobody knew about iron vs. steel. At best primitive bloomeries produced a mix of stuff ranging from wrought iron to hypereutectoid steel with plenty of slag and other dirt mixed in. As discussed at length before, we must expect the swords to consist of rather inhomogeneous iron - and that's exactly what has been found!
It's not the quality of the iron, it is the quality of the construction that produces the puzzles. Construction is the right word! While all these swords appear to have been made from one single piece of iron, they actually consist of about 10 or even more individual parts that were put together in such a way that even after 3000 years it is impossible to see the seams.
But the first and foremost question is:
Illustration Link

More Luris
1.
How did the ancient smiths make the
figures on the pommel and at
the intersection hilt / blade?

  I mean: look at the details - here or here or below. In the picture below you see one of the two lions a the intersection hilt / blade of the Metropolitan Museum, NYC Luristan sword; it's inlaid with carnelian stones. The head with the beard that is "hanging" down from the flat pommel mutates at its back to another lion as can be seen here. These ornaments look decidedly like casts - but that is impossible! Metallographic investigations1) - 4) of several swords proved beyond doubt that they do consist of iron or even steel, and nobody could cast that in 1000 BC. That is a generally accepted fact. Or is it? Lee Sauder has cast some doubt on this rather recently. He demonstrated the melting of iron in a contraption that people could have operated 3000 years ago. So, maybe, these thing were cast? I won't rule it out categorically but as far as our own investigation showed, nothing was cast. For the time being we stick to the old dogma: no casting of iron / steel before 1700 AD or so.
It they weren't cast, how were they made?
Luristan sword Metropolitan detail
Luristan mask sword; Ontario museum
Top: Details of the Metropolitan Luri with carnelian ornaments
Bottom: The Ontario Museum Luri
Large pictures of different ones
Source: Photographed in the Metropolitan Museum, NYC, 2011; Ontario Museum (with permission) .
One explanation offered is that they were manufactured by swaging or hammering heated metal into a mould. This is not very likely, however. First, I haven't read anything about the mould material. It needs to be pretty tough - like hardened steel - but that was not around in 1000 BC. Second, while these swords are quite similar, the ornaments are all slightly different. So no mass production with one or just a few moulds has taken place. Third, you simply cannot hammer a complex shape with concave areas like the head - lion piece into a mould and get it out again!
One remaining alternative is that some cunning smith sculpted all these things with a hammer and whatever other tools he had. I would tend to think that this is impossible. However, the ancient Luristanis could do quite tricky stuff with bronze.
Maybe the figures were "carved" like a sculpture? At least for the finer details this appears possible. It is certainyl easier to carve the iron directly then to carve a negative into a harder material as needed for swaging. Some other iron artifacts from Luristan tend to confirm this view..
Whichever way it was done, it took a lot of skill and probably also a lot of time. In other words: we are talking serious money here. Those swords must have been extremely precious.
Now the second puzzle:
   
2.
These swords were made from many
parts but assembled in a way
that it won't show
Why? And how?

I have provided a lot of sword pictures. Could you see that all these swords were made from many parts? Did you see any of the many seams where the parts were joined! Here is a picture that supposedly tells it all:
Luristan iron mask sword X-ray
Luristan iron sword: X-ray image (right ) and cut (left)
Source Maxwell-Hyslop and Hodges
This looks rather complicated. Note that all these pieces are not "properly" hammer welded at high temperature but are held together by dowels, clamps and "crimping" (that's what holds the cap on your beer bottle). Those ancient sword makers were rather skilled, it seems.
Or were they? Swords clamped and crimped together will not hold up all that well in battle, one must assume. "To deal with the latter aspect first, we cannot agree with Joseph Ternbach when he says of the blacksmiths who produced this type of sword that 'highly developed skill and artistry had been achieved in working the metal.' The truth would seem to be quite otherwise. A competent blacksmith does not rely upon rivets and bands and burred edges to hold his work together; he uses, rather, a hammer weld carried out in the hot. To be blunt, seen in terms of black- smithing these swords are a mess, and any of them could have been better made by the barbarian smiths of central Europe, certainly by the eighth century BC" write Maxwell-Hyslop and Hodges in their review paper.
So why, oh why? Maybe they couldn't do better with the new material? Maybe, but making the ornaments in whatever way did need some skill. Maybe these swords were never intended as real weapons?
All and sundry assumed that all or most mask swords were builr like this. Surprise! They are not! The "many parts" scenario resulting from this early investigation is not the rule but the exception. Meanwhile a number of swords has been X-rayed or otherwiese investigated and they all were made in a much simpler (if still very skilled) way from less parts. More to that here, where you also will find details to the picture below:
Luristan; curt mask sword
Luristan iron mask sword cut in half and etched for structure revelation
Source. Luristan project
  You see a mask sword that was cut in half and then Nital etched. You see that the main body, including the complete blade, was forged from one piece of iron and that the "sculptures", the rings, and the top plate was crimped-on as described before. You also see a kind of stripy structure that is typical for "faggoting" (i.e. repeated folding and weldin) but that needs a more detailed discussion then I can give here. Use the link for detals.
The third puzzle is:
   
3.
Why Luristan? A rather remote corner
even then. Why switch to iron when
you were excellent at bronze?

Luristan is know because of its bronze artifacts. The iron swords cannot possibly be better than the bronze swords the Luris manufactured with great skill and in great numbers. One possible answer is that the "Luristan mask swords" are actually not from Luristan but from the large and mighty kingdoms around them that had mastered iron working very early: Elam, Babylonia or Assyria, for example.
We can speculate all we like. As long as no such sword is found "in situ" in its natural environment (a grave) by archaeologists, we will not get final answers. Since serious archaeology seems to be taking place in the Iran again, there is hope.
     
  The Metallurgy of the Luristan Sword
Let's start by enumerating the questions we need to ask here and in future chapters:
  1. General quality of the bloom. Phosphorous / sulfur problems?
  2. Did the smith / metal master conscientiously select different grades of iron / steel from the bloom?
  3. Quality of the billets, bars or whatever made from the bloom. Sorted into different grades of wrought iron & steel?
  4. Capability of the smith? His infrastructure? Stone hammer and stone anvil on the floor or dedicated special equipment in a forge with a hearth?
  5. Smith aware of fire welding and capable of doing it?
  6. Smith aware of carburizing or, far more important, de-carburizing during forging?
  7. Smith knows about hardening by quenching?
All we have here for directly answering these questions are some finished iron / steel products, the Luristan swords, often heavily corroded, and mostly not open to structural investigations. If we are more lucky we have also remains of ancient smelters, some blooms and intermediate products like iron bars or double pyramids for trading. No such luck here. We don't even know for sure where, exactly, these swords were made.
It is not quite as bad as it appears. We have a lot of bronze and other metal objects from the time and region in question. The (Proto) Elamites in Susa, not all that far from Luristan, could do amazing things with silver 2000 years before the advent of the Luristan swords, for example, and "Luristan bronze" is famous in its own right. I will look into this in this special module a bit more closely. For the topic here we just note that a very high level of metal working existed around 1000 BC in Luristan and all around it. Making bronze by thoughtful alloying and not by luck, melting and casting, plus cold-working it with a hammer and special tools was mastered by many.
And yet, working iron is quite different from working bronze. Not being able to cast does make a huge difference. And yet again, the Luristan smiths could work with iron extremely skillfully. Whosoever can make one of the ornaments without casting it must be an extremely skillful artisan, indeed.
One might consider the swords to be "a mess" if one compares them to swords forged from one piece of iron / steel. That does not change the fact that making all the individual parts and assembling them without revealing the seams does take a lot of skill. Making a fancy mechanical watch does take a lot of skill, too - and the product is a mess compared to a cheap electronic one. But then, you do not sport an expensive mechanical watch so you can tell the time, just as you don't sport a Luristan sword so you can fight.
Luristan bronze smiths could make fanciful bronze swords in one piece, and they must have known that this is superior from a fighting point of view to swords made from riveted together parts. If they didn't do that for iron swords it most likely means that it couldn't be done. If we now look at that backwards, a new question comes up: Why didn't the Luristan artisan make bronze swords in the style of the iron swords? They most certainly could have done that. No bronze swords remotely similar to the iron ones have been found so far, neither in Luristan nor somewhere else. Maybe some entrepreneur started a new fashion?
We don't know. Maybe time will tell
I have just answered question No. 4 from above, admittedly in an indirect way. Yes, the smiths were up to the task. Obviously, you can see it.
So what about questions 1 - 3? Good question but hardly any definite answers. From the analysis of the swords we know that phosphorous and sulfur was not a problem - but that was likely just dumb luck. The bloom was probably small and the usual mix of anything between wrought iron and steel or even cast iron; it also contained slag. This is just indirect inference but it can't be too far off the truth. The smiths did not select different grades or at least were not very carefully about that. They did not know about property changes due to forging and quenching. This much we can infer from the analysis of the swords
One must bear in mind that the investigations were made quite some time ago. This necessitates to be a bit careful when reading the old papers (and some new ones). The issue does come a bit confused. Many of the old papers were written under the assumption that bloomeries produced exclusively wrought iron. Any finding of steel then was attributed to "caburization" by the smith - and that is wrong!. Confusing the issue even more are sentences like this one: "Forging caused the transformation of the brittle bloomery iron into wrought iron (with a carbon content of 0.5% to 0.25%) by reducing the amount of carbon in the iron" 5) in an otherwise superb paper of the editor of the magnificent "Arms and Armor from Iran".
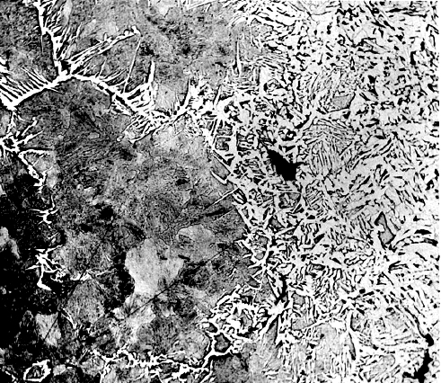
Here is a structure picture showing ferrite (white) and pearlite (dark) in the beard section of the Toronto sword. This looks like a Widmannstätten structure, indicating a rather high carbon content.
Sructure of Luristan swods
Structure in the beard part of the ornamental head of the Toronto sword
Large picture of blade
Source
All things considered the Luristan iron swords are quite remarkable but we cannot yet appreciate them fully. We need more data. Modern analytical methods might reveal mor details about the way they were made but most important would be new in-situ finds by scientists.
Let's wait and hope.
   

1) Herbert Maryon, R. M. Organ, O. W. Ellis, R. M. Brick, R. Sneyers, E. E. Herzfeldand F. K. Naumann: "Early Near Eastern Steel Swords", : American Journal of Archaeology, Vol. 65, No. 2 (1961), pp. 17- 184
2) Kate C. Lefferts. "Technical Notes on Another Luristan Iron Sword", American Journal of Archaeology, Vol. 68, No. 1 (1964), pp. 59 - 62
3) Vera Bird and Henry Hodges: "A Metallurgical Examination of Two Early Iron Swords from Luristan", Studies in Conservation, Vol. 13, No. 4 (1968), pp. 215 - 223
4) K. R. Maxwell-Hyslop and H. W. M. Hodges: "Three Iron Swords from Luristan" : Iraq, Vol. 28, No. 2 (1966), pp. 164 - 176: containing also: Vera Bird: Metallographic Report on Two Swords from Iran.
5) Manouchehr Moshtagh Khorasani, “Bronze and iron weapons from Luristan”. Antiguo Oriente: Cuadernos del Centro de Estudios de Historia del Antiguo Oriente 7 (2009).

With frame Back Forward as PDF

© H. Föll (Iron, Steel and Swords script)