The Luristan Project - Results

Introduction
Here you will find a English version of the project reports in German plus comments and some additional data.
Link to "Luristan Project - Overview

Four rather badly corroded Luristan mask swords were used for the investigation. The goal was to assess their age by a C14 analysis and to do some metallography. The project was supported by the Prof. Dr. Werner Petersen-Stiftung. The results have been published 1) and described in the reports to the Petersen Stiftung. They are accessible via this link
All these swords were mine since I had bought them at auctions. As time progressed, a few more swords were acquired and partially investigated. The results from those swords are only reported here.
I never intended to keep these artifacts. The idea was to do some investigations and then to pass them on to the Royal museum of history and art in Brussels, Belgium. Why this museum? Because Belgian archaeologists have done field work in Luristan, and Prof. Bruno Overlaet, a curator at this museum (and a project advisor), is one of the top Luristan experts.
As of now (April 2019), all of the investigated swords (plus a few more objects) are in the possession of the museum.
The uncertainty concerning the age of the mask swords was a major incentive for the project. Since no mask sword has ever been properly excavated, early archaeologists could only make more or less wild guesses about their age, based on whatever context they felt could be invoked. They typically guessed around 1000 BC or somewhat earlier. More recent archaeologists, having properly excavated and dated many graves, could still only guess but their knowledge base was now much broader. In particular they have found (and dated) the type 2 kind of iron sword. Since it resembles the (dated) bronze swords (in stark contrast to the mask swords), the feeling is that mask swords came later and thus are somewhat younger than the type 2 swords. Modern archaeology thus puts the mask swords at around 700 BC.
Enter C14 dating. Mask swords, like pretty much all old "iron", are not made from wrought iron as always believed but from an inhomogeneous steel mix that contains sufficient carbon for C14 carbon dating.
Two such measurements have been made and the age obtained is rather large: 1100 BC or even older.
My university runs a state-of-the-art C14 laboratory. Even better, one of the researchers there (Mathias Hüls) has actually done some pioneering work in dating steel and my outfit has helped him a little in doing that. This means we were well set-up for dating the four swords, and chances were good to obtain a definite result.
To make a long story short: We failed in doing this. Why? There are two possible reasons:
  1. It is very difficult to get the carbon out of the iron, It's in there in the form of Fe3C and retrieving the tiny amount of pure carbon as needed for the analysis is not easy. Cut your sample with a regular steel saw, for example, and you introduce enough "modern" carbon to falsify your results.
  2. Even if you do get the correct age of the carbon in the iron, you are not yet there. After all, we want the age of the iron. The big question is: where does the carbon found on the iron come from? If it is carbon from the charcoal, you get the age of the trees used for making the charcoal going into the smelter and that is close enough to the smelting date and thus iron date. However, if some extremely old carbon from the ore or smelter material, e.g. iron carbonates, made it into the iron, it would increase the carbon age by amounts that are no longer relevant for the iron.
Of course we were aware of these difficulties. The first one we felt we could deal with, giving the experience with the method. The second problem was a "theoretical" one and one just needed results from as many specimen as possible to get some idea of what was going on during smelting. If "old" carbon made it into the iron, one could reasonably expect that the percentage of old carbon found in the iron would vary considerably from sample to sample. That would imply that the carbon age - a weighted average between old carbon and carbon from the smelting time - would vary considerably too,
The C14 analysis demanded pea-sized samples that needed to be cut off the sword at some suitable place. One could only hope that one hit on a region with sufficient carbon content and not on "wrought iron". Two "back-to-back" samples were produced from each sword. One sample was used for the C14 analysis the other one for a metallographic survey. The goal was to get some basic metallographic information about the material and to see if possible structural irregularities (like large slag inclusion) could influence the C14 work.
Since metallurgical investigations of a few mm2 cannot be representative for a large sword known to consists of inhomogeneous iron / steel and could ell us nothing about the construction, it was decide ti cut one sword into two halves "all the way". In order to avoid large material losses, modern technologies with cutting widths far below 1 mm were to be used.
In what follows the results of the investigations are briefly described; more information is provided in this link
     
 

C14 Dating and Basic Metallography Results

  Sword No. 2; IR3743
Fist we look at the pertinent data:
    Sword No. 2; IR3743


Dating
C concentration of C14 specimen: 0.38 %
Two independent measurements
C14 age: 1150 ± 30 BC
Calibrated age: (taking the "younger" peak 5)): Ca. 1330 BC


Metallography:
Nital and "Oberhoffer" etching on polished surface
Light microscope and SEM picture were taken.
Some X-ray fluorescence analysis.

Typical bloomery iron; inhomogeneous structure and carbon distribution
Spheroidized cementite, no visible martensite / hardening
Some deformation (by cold forging?)
No discernible fire welding
Substantial slag inclusions
Vickers Hardness between (100 - 200) mHV
No phosphorous discernible in Oberhoffer etch
Some Ca, less K in X-ray fluorescence (lime-flux based smelting?)
Luristan sword project
Next a few details. First we look at the sample taking:
   
Luristan sword project
  A few metallographic pictures follow:
   
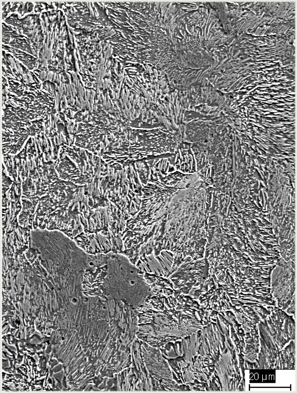
Luristan sword project
  We see the Nital etched surface of the whole sample. The picture is a composite of many individual pictures and this causes the "jumps" in the grey level.
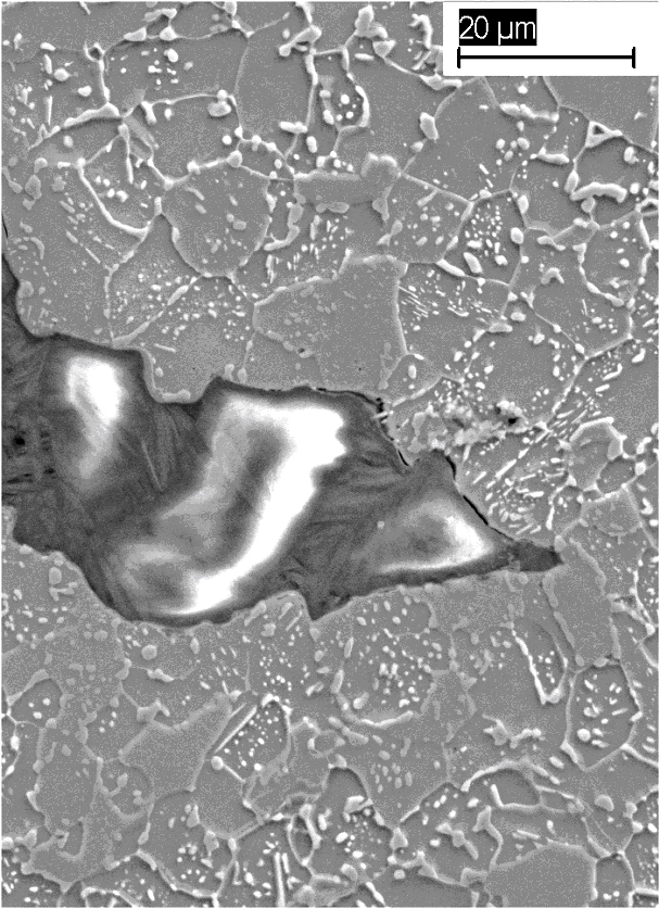
It is clear that the composition is rather inhomogeneous. Elongated slag inclusion are also clearly visible. The next SEM picture shows details
   
Luristan sword project
  We see a slag inclusion and substantial amounts of cementite, quite compatible with the 0.38 % reported from the dating sample. The cementite sit on the grain boundaries and forms particles, often somewhat globular in shape. It is not an eutectic structure as one could have expected. Structures like this point to a large cooling rate; see this link
Finally, the radiocarbon data. I won't explain the picture. It is the standard representation of a C14 (actually rather a C13) analysis and known to all in the field
Luristan sword project
Since the dating sample contained enough carbon, it was divided into two samples so that two independent dating routines could be done, The yielded pretty much the same result (1100 / 1125) BC and thus give some confidence that this is indeed the age of the carbon.
     
  Sword No. 3; IR3745
Here are the basic data:
Sword No. 3; IR3745


C14 Dating
C concentration of C14 specimen: 0,01 %
This is very low and border-line for the dating
C14 age: 1310 ± 40 BC
Calibrated age: (taking the "younger" peak ): Ca. 1460 BC

Metallography:
Nital and "Oberhoffer" etching on polished surface
Light microscope and SEM picture were taken.
Some X-ray fluorescence analysis.

Typical bloomery iron; inhomogeneous structure and carbon distribution
Unusual cementite structures including spheroidized particles
, no visible martensite / hardening
Heavy deformation (by cold forging?)
No discernible fire welding
Substantial slag conclusions.
Vickers Hardness between (100 - 185) mHV
No phosphorous discernible in Oberhoffer etch
Some Ca, less K in X-ray fluorescence (lime-flux based smelting?)
Luristan sword project
The metallography showed unusual structures once more. What we see below are substantial slag inclusions and unusual cementite structures:
   
Luristan sword project
   
Luristan sword project
  This SEM pictures shows rather little cementite (and thus a low carbon concentration) but quite unusual linear structures. The next (light microscope pictures shows essentially the same structure:
 
Luristan sword project
Next the radio carbon data.
   
  Sword No. 4; IR 3746
Here are the basic data
  Sword No. 4; IR 3746


C14 Dating
C concentration of C14 specimen: 0.6 %

C14 age: 850 ± 30 BC
Calibrated age: (taking the "younger" peak): Ca. 925 BC

Metallography:
Nital and "Oberhoffer" etching on polished surface
Light microscope and SEM picture were taken.
Some X-ray fluorescence analysis.

Typical bloomery iron; inhomogeneous structure and carbon distribution. Very high carbon conc. (ca. 0.7 %) in parts
Substantial slag inclusions.
Vickers Hardness between (118 - 228) mHV
No phosphorous discernible in Oberhoffer etch
Luristan sword project
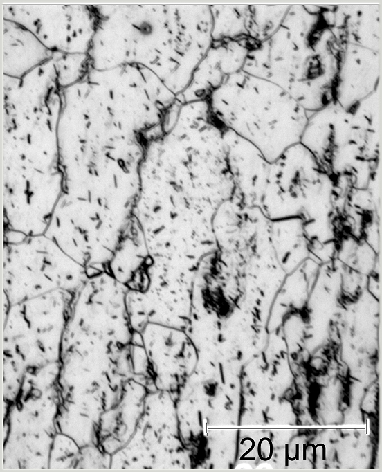
Here is a composite of many pictures showing the whole specimen (Nital etched).
   
Luristan sword project
Region 1 is a high-carbon area. The following picture shows that quite nicely. We see a dens eutectoid cementite structure.
   
Luristan sword project
SEM picture of structure in region 1
  In contrast, region 2 is low in carbon and shows a typical ferrite structure with little cementite but quite a few slag inclusions. Here is a light microscope picture:
   
Luristan sword project
Ferrite structure in region 2
  Finally, the C14 data:
   
Luristan sword project
     
 

Cutting Sword No. 5 (2744) in Half

No C14 analysis was done because this sword was used for the "full-body" cut. The idea was to use a spark erosion cutting technique, available through a cooperating high-tech company in Kiel 3). A cut is made by applying a high voltage between a very thin (and very hard) wire and the (conducting) body to be cut. Sparks develop at short distances between the wire and the material, eroding the material. Very precise cuts with cutting width << 1 mm can be achieved for large areas.
However - spark erosion didn't work. The reasons are most likely the (dielectric) slag inclusions that do not draw sparks and thus do not get eroded.
Many different techniques were investigated and found to be either too risky or not available for large specimen. What finally worked was an extremely specialized wire saw, originally developed for cutting large silicon ingots precisely and with cutting width << 1mm. Cutting proceeds by running a diamond-studded wire with about 100 µm diameter across the material to be cut. The cutting was done by the team of the Fraunhofer Institute for Microstructure of Materials and Systems (IMWS) in Halle, Germany. 2)
The result is shown below
Luristan sword project Luristan sword project
Sword before and after cutting
The dark brown "halo" results from the embedding material
Large version
  The "waviness" in parts of the cut resulted from oscillations of the cutting wire. Less than 150 µm of material was lost (about 5 "hairbreadth")
The following features were directly visible after the cut:
  • The "body" of the sword was forged from one piece of iron / steel. It has a complex shape (including a stud at the hilt end for attaching the end plate). Only an experienced smith could do this kind of work.
  • The "decorations" were added with utmost cunning. Whatever was visible was done with supreme workmanship and amazing precision (like the crimping) so the structure wasn't visible and the sword looked like made form piece. Whatever was not visible (like the fitting of the additions) was done sloppily to safe on labor.
  • The iron / steel used is full of very large defects (black structures). These will be shown in more detail in the following pictures and in the extra picture module
One half was polished and etched in the usual way in Kiel. This study is still in progress and results will be related later.
The other half was send to the team of Prof. Ü. Yalcin in Bochum, Germany, for further study. Unfortunately the Bochum sample was too big for a detailed analysis with the available microscopes. It was therefore decided to try a Nital etch right on the as-cut surface. The result is astonishing and shown below.
   
Luristan sword project
As-cut and Nital etched.
A large area containing numerous large slag inclusions is outlined in green.
Large and huge version
  There are clear macroscopic white striations. They "disappear" if viewed under a microscope since the surface roughness obscures everything. The are clearly related to the forging, look at how the curve around in the heads and animals.
What is and what could cause this kind of internal structure? Typically, structures like this are taken as indications of faggotting, i.e. several passes of folding and drawing out again. This appears to be unlikely here. Faggotting is done to homogenize the distribution of inclusions and impurities and to crush large (slag) inclusion into many small ones. This obviously has not happened here..
Possibly the forging process produced some layering of cementite, as in the wootz process or in the "banding" observed on occasion in all kinds of steel. This is a wild guess, however, and further studies are needed to unravel that puzzle.
As already mentioned, large irregularities / inclusions are visible with the unaided eye. Under a microscope, they look like this:
   
Inclusions in parts of the blade
Large size picture of a similar structure
Source: Luristan project; see link to text
  We see whitish crystals of humongous size - they account for roughly 10 % of the blade thickness! They must have become elongated during forging and since they are not "ground up" it is likely that they were liquid and crystallized during cooling. Assuming that they are fayalite (Fe2SiO4), forging temperatures then must have been above 1100 oC.
Finally a low-mag picture form the defects in the hilt part. Most of the black areas are empty holes but they might have contains slag particles that fell out during cutting and cleaning
.  
Source: Luristan project; see link to text
     
   

The Assembly of Mask Swords

K. R. Maxwell-Hyslop and H. W. M. Hodges had already cut a Luristan sword in half and in 1966 they published the paper with the results. It showed the by now well-known "many parts" approach; look at the relevant picture here.
All and sundry since then assumed that all Luristan mask swords were built like the one described in Maryons paper. That was perfectly reasonable as long as not much new information was available. From todays point of view, however, I must say:
   

This is wrong!


We have cut a sword as shown above and we have also X-rayed all the swords discussed here plus a few more. On example is shone here. None of them showed a "many parts" structure and that is also true for a few more swords that were X-ryes by others.
However, all these X-rays were form "true" mask swords, featuring the "masks". i.e. the attached figures. Maryon's sword did not have these adornments and thus might be from earlier times when forging techniques, perhaps, were less developed. While that may have been the case (I do not doubt that Maryon's sword did have the "many-parts" structure), it is not true for all the simpler variants of Luristan mask swords.
I can state this because at the end of the project I had an opportunity to acquire a 5th sword that is quite similar to Maxwell-Hyslop sword. Here is a picture:
   
Sword similar to the one analyzed by Maryon et al.
  Here is the X-ray picture for this sword 4). Definitely no "many-parts" construction.
   
 
 

Final Words

Our paper 1) contains a representations of the known age data that tells it all. Here it is (slightly modified):
C14 Age results for Luristan mask swords
  The "Creswell" data 6) refer to the C14 dating of the "Toronto" sword and a MIT sword.
While it is not per se impossible that these swords were made over a time span of 700 years or so, it is very unlikely. We must conclude that "old" carbon from some minerals tends to make the swords look older than they are. The present "best guess" age of 800 - 700 BC thus seems to be accurate.
   

1) C Matthias Hüls, Ingo Petri and Helmut Föll: "ABSOLUTE DATING OF EARLY IRON OBJECTS FROM THE ANCIENT ORIENT: RADIOCARBON DATING OF LURISTAN IRON MASK SWORDS
Selected Papers from the 23rd International Radiocarbon Conference, Trondheim,Norway, 17–22 June, 2018; to be published in: Radiocarbon, Vol 00, Nr 00, 2019, p 1–10
Here is a pre-print
2) We are extremely grateful to Mr. Schwabe, who succeeded with his expertise in cutting the sword, and to Prof. Wehrspohn, the director of the IMWS Halle (Fraunhofer-Institut für Mikrostruktur von Werkstoffen und Systemen) in Halle, Germany, for allowing us to use resources of his institute.
3) Mr Andreas Hofmann, Fa. Hofmann, has tried to cut the sword with spark erosion. He has shown great enthusiasm and spend considerable time in this effort. We are greatly indebted to him.
4) We are indebted to Mr. Petersen from the big wharf across the road from my office (formerly HDW) or taking the X-ray pictures "on the side" with his powerful (high-voltage) machine.
5) Consult the Wikipedia article to "Calibration of radiocarbon dates". In short: The C14 or radiocarbon age is the age you get by assuming that the concentration of C14 was always constant. It wasn't. From lots of data a calibrations curve was constructed (the meandering blue band in the graphics) and you must "mirror" your measurement values on that curve. This distorts the typical measurement bell curve on the vertical axis ("Radiocarbon determination BP) to the dark grey curves on the horizontal axis ("calibrated date (calBC). BP, by the way, means "Before Present" and "present" is always 1950.
Due to the zig-zag nature of the calibration curve you may end up with several peaks and a larger spread of the age. Since the data tend to be on the "too old" side anyway, I took the youngest age corresponding to the youngest peak if applicable.
The ages given in the text above are directly "read" from the diagramsn (and indicated there) They may deviate somewhat from the calculated values in the various texts.
6) R. G. Creswell: "RADIOCARBON DATING OF IRON ARTIFACTS", RADIOCARBON, VOL. 34, No. 3, 1992, pp. 898-905]
7) Robert Mason: "Weapon Wednesday: Two daggers from Luristan, Iran" Posted: December 4, 2013 - 12:14
This is not a ral publications and it is not clear of the age given is the calibratd ot not. Here is the esential üaragraph:

The second object seems more reliably associated with Iran, although it is actually made of iron, not bronze. The iron dagger (ROM# 931.19.10) was purchased from Sotheby's in 1931, and apparently ninety of this style are known, although none are from a specific site. The ROM's object provides a major contribution to our knowledge of these daggers, however, as it has been radio-carbon dated using accelerator mass-spectrometry to 1044 plus or minus 60 years BC (since the date is of the carbon in the object derived from the wood used to smelt the object, the date of the object would probably be 15 years later). Like most iron in

With frame With frame as PDF

go to Sword Types

go to Radiocarbon (C14) Dating

go to Faggoting

go to Sword Places: Luristan

go to Banding

go to Etching Steel

go to More Luristan Swords

go to Large Pictures - Chapter 11.1

go to Luristan Special

go to The Luristan Project - Results from Cut Swords

go to Luristan Project - Large Pictures

go to Can Hasan

© H. Föll (Iron, Steel and Swords script)