The Luristan Project - Large Pictures of Cut Sword |
 |
These very large picture serve as permanent record of the project results. Some
experts may recognize features not evident to us. The first picture shows the positions of the scan once more for convenience |
| |
|
|
 |
Part of Kiel half; polished and Nital etched. Strongly contrast enhanced. |
|
| |
|
 |
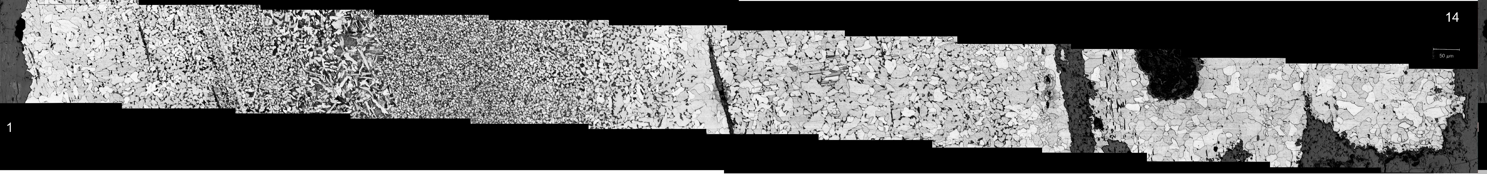
Scan through the backside of the left head (animal part; 1 - 14). Turned 90o for
convenience |
| |
|
| | |
 |
Scan through the backside of the right head (animal part; (15
- 26) and the "bead" region (38 - 27) Turned 90o for convenience |
| |
|
| |
|
| |
| |
 |
Scan through the hilt at the upper ring position (97 - 120) |
| |
|
| |
|
 |
Scan through the hilt at the middle ring position (152 - 183) |
| |
|
| |
|
 |
Scan through the hilt at the bottom ring position (121 - 151) |
| |
|
| |
|
 |
Scan through the animals and the hilt (39 - 77) |
| |
|
| |
| |
 |
Scan through the blade close to the hilt (upper blade; 184 - 190) |
| |
|
| |
|
 |
Scan through the blade in the middle (middle blade; Nital 191
- 196; Oberhoffer 275 - 281): |
| |
|
| |
|
| |
| |
 |
Scan through the bottom end of the blade (197 - 202) |
| |
|
| |
| |
With frame

Discussion of the "Cut Sword" Findings
Part 1 Basics about Scythians and Their Akinakai
Etching Steel
More Luristan Swords
Scythian Special
Large Pictures - Chapter 11.1
Luristan Special
The Luristan Project - Results from Cut Swords
The Luristan Project - Results from Cut Swords Part 2
The Luristan Project - Results from Cut Swords
Scythian Akinakai
Literature to "Scythian Special"
© H. Föll (Iron, Steel and Swords script)