Overview Luristan Project Part 1 Striations and heads
  Part 3 Animals and blade
  Part 4 Discussion of the results
  Large Pictures
     
  

The Luristan Project - Results from Cut Sword;     Part 2

Scan Map

For ease of reference the following picture shows the scan details for the succeeding pictures:
     
 
     

Pommel and Upper Ring Scans

  The pictures below show three scans. Two (78 - 83 and 84 - 86) across the plate that forms
a kind of pommel, and one (87 - 96) across the upper ring around the handle.
 
Top:
Scan through the pommel plate at a position where it is crimped over the upper ring that runs around the hilt.
The most prominent feature are the "black lines" in the crimped part, resulting from extremely elongated grains by cold-working.
That is not surprising. Crimping down the figures must have been done by cold working since any "heavy" heating process would have damaged the (carved!) figures.
The grain structure changes somewhat but there is no clear evidence of welding. Some pearlite (dark spots) seems to be present but the carbon concentration is generally low.
Scan through the pommel plate at the right -hand side
A more pronounced change in grain structure hints at welding as before.
The carbon concentration seems to increase somewhat from top to bottom but is still on the low side.
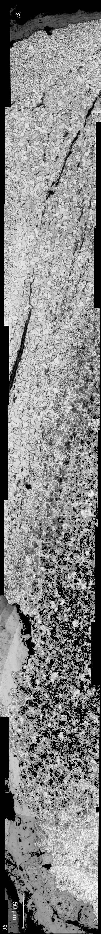
Scan across the upper ring
Strong changes in grain structure, partially tied to a strong increase in the carbon concentrations from top to the bottom. The lower part seems to contain a large amount of cementite (white features) while the top appears to contain not much carbon. The lower part actually has the typical appearance of hypereutectoid iron.
It is safe to assume lamination by welding once more. The welding planes (some outlined by roundish to slightly elongated inclusions) are steeply inclined in this case.
     

Hilt and Ring Scans

The next scans go clear across the the hilt at the rings surrounding the hilt at three positions. The scan positions are:
  • Upper ring (97 - 120)
  • Middle ring (152 - 183)
  • Lower ring (121 - 151)
  Here is the position at the upper ring:
Scan across the upper part of the hilt. The middle picture contains some artifacts from scratches
Large version
     
  Next, we look at the middle section:
   
Scan across the middle part of the hilt. Very high carbon concentrations in the outer parts (=rings) are evident.
Large version
     
  Finally, the bottom section:
   
Scan across the bottom part of the hilt. Very high carbon concentrations in some of the outside=rings parts are evident once more.
Large version
   
For all three scans we have huge elongated slag (?) inclusions and considerable changes in the grain structure but not so much of the grain size.
There is no particular evidence of welding like sharp transitions between grain structures. The outer parts (belonging to the rings) are typically
containing strongly disturbed structures, probably due to a high carbon content. The middle part (the hilt itself) consists of iron with a smaller carbon content.
The huge "slag" inclusions appearing deep black in the pictures actually do contain the "crystals" alluded to before. They become visible if the pictures are
processed by strongly increasing the "gamma" value; an example is shown below. The "dark areas" inside some grains are somewhat disturbed pearlite,
at least in the case where high-magnifications pictures were taken and allowed that identification; an example is also shown below.
 
Top: "Dark areas" in grains at 1000x magnifications. The disturbed pearlite structure is evident. Obtaining crisp pictures at this magnification is not possible since the huge and heavy specimen overtaxes the microscope table. We see an in-between of pearlite and spheroidized cementite

Left: Strongly processed picture with a "crack" containing "slag inclusions". The crack is indeed filled with something. The crystal nature of the filling as seen here is no longer evident since the surface was polished.
   
The blade plus the hilt core were forged from one piece of material (that was probably fire-welded fron a number
of sheets). The shape produced is rather complex and forging needed considerable skills of the smith plus many
heats. Forging the billets for the figures, pommel plate or rings, in contrast, needed fewer heats. We might
reasonably expect that internal structures, e.g. welding seams and grains size differences, are much better
preserved in the smaller parts than in the big blade / hilt piece. This is especially true if the smith applied
rather high temperatures for forging.

   
Part 1 Heads
Part 3 Animals and blade
Part 4 Discussion of the results
Large Pictures
 

With frame With frame as PDF

go to Discussion of the "Cut Sword" Findings

go to Etching Steel

go to More Luristan Swords

go to Scythian Special Large Pictures

go to Large Pictures - Chapter 11.1

go to Luristan Special

go to The Luristan Project - Results from Cut Swords

go to The Luristan Project - Large Pictures of Cut Sword

go to The Luristan Project - Results from Cut Swords

© H. Föll (Iron, Steel and Swords script)