|
Here are some domain structures as found in the Web. These pictures are scientific
citations and thus do not infringe on Copyrights. |
|
 |
Unfortunately, some of these pictures do not obey the first law of scientific
picture publishing, which is: |
|
|
| You must always have a scale on your micrographs! |
|
| |
 |
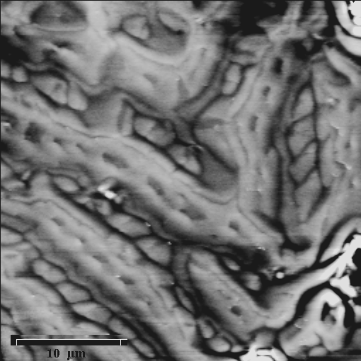
Domain structure of native magnetite (obtained by "magnetic force microscope
imaging"). It is quite complicated. Source: http://premare.imr.tohoku.ac.jp/SDurbinWWW/magndomn.html. |
| |
 |
A very nice picture of the domain structure of Fe + 3% Si. (From a paper entitled: Interaction Between domain
walls and structural defects as a background for magnetic inspection of steel structures" by E.S. Gorkunov,
Yu.N. Dragoshansky
(from the Proceedings of the 15th World Conference on Nondestructive Testing Roma (Italy) 15-21 October 2000)) |
|
| | |
|
| |
|
 |
A labyrinth of magnetic domain as seen in an amorphous membrane of Gd-Co. Historical picture from unclear
source. |
|
| | |
| |
| |
 |
Domains in NdFeB material. The domain character in this highly anisotropic material depends on the orientation
of the easy axis of magnetization relative to the surface. In the grain on the right the axis is oriented perpendicularly,
resulting in fine branched domains, while the grain on the left has a lower degree of misorientation relative
to the surface. From A. Hubert and R. Schäfer, Magnetic Domains. The Analysis
of Magnetic Microstructures, Springer,
Berlin-Heidelberg-New York, 1998. With friendly permission of R. Schäfer. |
| |
 |
Domain branching observed at the surface of a Co crystal with strong out-of-plane anisotropy.
Same source as to the left. |
|
| | |
|
© H. Föll (Advanced Materials B, part 1 - script)