| |
11.3.4 Metallography of Pattern Welded Swords |
| |
|
 |
Wouldn't it be nice if some archaeometallurgis would have written
a review about our topic here, including everything known about the metallurgy of pattern
welded swords? Of course, a good review is more than just an enumeration of what has been published. It is rather a careful
analysis of what has been published, appraising every contribution as to its correctness, completeness, methodology, and
thus relevance. The knowledge thus gathered then is ordered, for example along the following topics / questions:
- Bright vs. dark steel. What was used? With particular emphasize on the phosphorous issue.
- General nature of the steels used.
- How did the smith select his various steels?
- How homogeneous was the blade? Was faggoting used? In what ways?
- How good are the welds? Nature, density and shape of inclusions at weld seams? Any indication of special welding practices?
- Chemical analysis of the slag inclusions. Can we identify the origin of the iron / steel this way?
- Was there any quench hardening? Followed by some annealing?
- All of the above as function of the time and place. How did pattern welding change in one place over the centuries?
How did local know-how diffuse into other regions?
|
|
 |
Alas! Such a review does not exist. And I'm not the one who is going to write
it. First, because there aren't enough hard facts out there, and second, because it would be hard and demanding work, the
kind that only grad students love to do.
So I can give you only some tidbits from what I found, always with the questions from above in mind. |
 |
Let's start with the results of the great old man of iron and steel
research: Vagn Buchwald's 2000+ investigation of Illerup and Nydam artifacts. He looked at lance
heads and swords. This is what he found for lance heads: |
| | |
|
| | |
| No | Object Lance heads |
[C] % | [P] % |
Hard- ness | Structure |
Slag Properties; Origin |
| 1 | 1880 YTL |
0.6 | 0 |
186 -213 |
Spheroidized fine grained pearlite |
Similar to Valdres; Norway |
| 2 | 1880 VUD |
0.6 | 0 |
186 -224 |
Slightly spheroidized fine grained pearlite. Yellowish weld line |
Similar to Valdres; Norway |
| 3 | 1.BLX |
? Small | (0.4 - 0.8) |
»150 |
Very large ferrite grains, Fe3P precipitates |
Very different to above. Maybe Western Jutland, Denmark |
| 4 | 1.KB |
? Similar to above | 135 -192 |
Coarse ferrite grains, Fe3P precipitates; Neumann bands |
Similar to 3 | | 5 |
1.BQY | ? Small |
(0.2 - 0.4) % | 180 -209 |
Coarse ferrite alternating with fine grained phosphorferrite. Fe3P precipitates
| ?? | | 6 |
1880 IUZ | 0.2 % |
0.2 % | 112 -120 |
Coarse ferrite grains with Fe3P precipitates; ternary Fe-P-C structures |
Very different from above; not identified |
| 7 | 1880 QLN |
0.2 % | 0.2 % |
118 -131 | Similar to 6 |
Probably linked to the one above |
|
| |
| |
| |
 |
Those lance heads were from the first Illerup
deposit, about 200 AD. None of the investigated ones was quench hardened. No.1 and 2 were outstanding steel pieces,
made in Valdres / Norway where "special ores enabled steel production". |
 |
As far as swords are concerned,
Buchwald was able to re-examine 8 blade fragments from the Nydam treasure.
Here is what he found: |
| |
| |
| |
|
 Numbers give Vickers hardness at places indicated |
 |
[C] = (0.4 - 0.6) % in ferritic - pearlitic steel; [P] = 0.2 % in phosphor-ferrite Twisted striped
rods, good edge hardness but no quenching. Slag high in Mn but no identification of ore origin is possible. |
|
| |
|
 |
Striped rods from (0.4 - 0.6) % C and 0,5 % P steel. Edges fine-grained and homogeneous with some martensite
(blue dots), Quench hardening was attempted but not fully successful. Slag analysis inconclusive. |
|
| |
 |
Ferritic - pearlitic structure in what is left. Ternary Fe-C-P structures (0.3 - 1.0) % P, 0.2 % C in the
stripes. Slag rich in P2O5. |
|
| |
|
 |
Stripes made from (0.4 - 0.5) % C steel and (0.3 - 0.4) % P, 0.2 %C ternary stuff. Edges extremely fine
grained pearlite and martensite, obviously quench hardened. Very fine sword! |
|
| |
 |
Pattern welded inner part similar to No. 4157 and No 4154 above. Edges consist of (soft!) phosphor-ferrite
with (0.2 - 0.3) % P. The striped rods alternate high phosphorous ((0.5 - 0.6) % P) with medium carbon steel ((0.4
- 0.5) % C)). This sword had already been investigated by R. Thompson in 1992, who found that the striped rods had
been folded back as shown here and below: |
 |
|
| |
 |
Central part (low carbon) with two different patterned layers on each side; only one is partially preserved.
Homogeneous fine-grained edges. Not or not successfully quenched. Ternary Fe - P - C for the striped rods with up to 0.4
% P and quite different P / C ratios. High P and Mn concentrations in slag inclusions. |
|
| |
 |
| Quite similar to No. 41 above. Not enough left for going into details. |
|
| |
 |
| Irregular pattern, rather pure ferrite and heterogeneous phosphor-ferrite with up to 0.3 % P. Very soft
edges welded to an already rather soft core. Not a good sword. |
|
| |
|
 |
What can we conclude from those data? Quite a lot actually:
- It would be a hell of a lot of work to produce the review
requested above! First you need data, and the data I have given you here for just 7 lance points
and 8 swords are already quite voluminous and a bit confusing. And what you see here are are only a few percent
of the data that needed to be generated. Note that I have not shown any one of the several
100 microscope pictures taken for these 15 specimen.
- Getting a good idea of what was going on in all of Europe for several centuries would need a close analysis of at least
a few hundred swords. This needs still to be done.
So no review yet. Nevertheless, the results shown above do allow to draw some conclusions and to make educated guesses: |
| |
 |
1. We had only only 15 specimen but a few were quite similar
to each other and quite different to the rest. Some were very good and some were very bad. In particular, among just 8 swords
one had soft edges welded to a harder core, something we have encountered before,
and one was soft throughout. We might conclude that different places had different traditions and skills. In fact,
there is evidence from other but metallurgical considerations that at least for the time span covered by the Danish bog
finds (300 AD±) "simple" objects like lance heads were made locally, while complex pattern welded swords
were imported from the "Romans". There seems to be some evidence that the Roman smiths worked along the Rhine,
in the occupied territories that now are Germany, France, Belgium and possibly the Netherlands. When the Romans "left"
and the Alemanni and all and sundry moved in, the art of smelting iron and steel plus making pattern welded blades was still
in place, and we might assume that in the later period Alemanni and Merovingians smiths also knew how to forge fine pattern
welded blades. What happened elsewhere, in particular in Scandinavia and in "the East", where pattern welded
swords have also been found in somewhat later times (after 300 AD), I don't know. But without a highly organized and export
oriented Roman weapons industry it is likely that local smiths did the best they could but could not come up to the old
standards most of the time, |
|
 |
2. All 8 swords investigated used some kind
of phosphorous steel for producing a pattern. Or worse, a ternary Fe - C - P alloy. Phosphorous stuff is great for the "white"
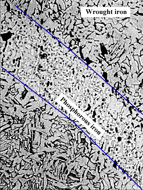
part of the pattern. It also provides for some hardness compared to wrought iron and might even offer some corrosion resistance. Here is a picture from my own work on a sword fragment
from the Nydam treasure. The phosphorous steel shows the typical "ghost structure". |
| | |
|
|
|
 |
Stripes of phosphorous steel and regular (wrought iron) steel The bright strucure in the P-rich
regions are "ghosts". |
| Source: The picture was taken by one of the indispensable grad students (Jan-Hendrik Morjan in this case) |
|
| |
| |
| |
 |
However, phosphorous steels cannot be quench hardened and are prone to "cold shortness", i.e. it becomes brittle when it
is cold. Phosphorous steels are nevertheless a good choice for pattern making. As long as the rest of the blade and
especially the edge consists of good steel, the edge could be hardened and the cold-shortness didn't matter much. The alternative
to phosphorous steel is a combination of hard and soft steels (or wrought iron) for making the basic striped rod. This is
not so good for the simple reason that carbon diffuses rapidly in iron and at the always claimed 1200 oC (2192oF)
needed for welding, carbon atoms would cover a distance of about 10 µm in one second in the fcc phase then prevalent.
In 100 seconds it would be 100 µm or 0.1 mm (the distance increases with the square root of the time!). Given the total
time at high temperatures, the carbon concentration would tend to wash out and so would the pattern. In the worst case,
instead of having, for example, a striped rod with sheets of 0.2 % and 0.7 % carbon, you end up with a rather homogeneous
piece with (0,2 + 0.7)/2 % or 0.45 % carbon. Please note how cunningly I avoided to use the equation sign - so still no equations here! Don't tell me now that I'm
wrong because for modern smith this seems to work. They use two kinds of steel without
phosphorous. Yes, true, but they do not use two different carbon steels. Whatever they
use also has different concentrations of, for example, manganese (Mn) or other alloying elements, and it is a safe bet that
these elements and not the carbon are responsible for the pattern. Phosphorous (and all other alloying elements) diffuses
much slower than carbon, so the pattern does not wash out. But for the same reason phosphorous is always distributed very
inhomogeneously in the primary bloom and in the double pyramids,
currency bars, clods, or whatever made from the blooms and used for trading. The unavoidable conclusion is: |
| |
| |
| |
|
If you use phosphorous iron for
pattern welding, you must faggot it first! |
|
| |
| |
| | |
The reason is clear; I have discussed it before:
If the phosphorous concentration varies down your striped rod, the visual contrast varies too. From black / white to light
grey / dark grey or whatever. This is not what you want to see. Of course, nobody so far has investigated how severe
that effect would be or, in other words, what kind of tolerance window exists. Maybe phosphorous concentration variations
of ± 20 % would still be OK, maybe that's already far above the limit. We don't know at present. |
| |
 |
3. We do not know much about faggoting from analyzing sword
blades. Buchwald and most everybody else never even mentions it. Analyzing just cross-sections of blades, the standard technique,
will not allow to assess the issue and we thus have almost no data at all. Buchwald mentions several times that the structure
(of a cross-section) is very homogeneous and that might be a weak hint that faggoting was employed. So far we have
only Maeder's data showing that faggoting was used at least
in the second half of the 1st millennium, it seems. |
| |
 |
4. Looking at just 8 swords we got 2 very good ones with remarkably
hard edges, 4 were acceptable, and two were lousy. The very good ones were quenched and
it worked! The edges have a rather high hardness. The makers of the other ones might have tried to quench harden them too,
but martensite will not form in phosphorous steels, no to mention wrought iron. We might conclude that quench hardening
was known and used but not understood around 300 AD. That is one of the things that have changed in the next few centuries.
Maeder's two fully analyzed blades, a spatha and a sax from 600+ AD
show signs of a sophisticated hardening process, where parts of the blade might have been protected from cooling too rapidly,
akin to the celebrated (much later) Japanese process. It is, however, far too early to be sure. |
|
 |
5. Determining the chemistry of slag inclusions in the different
parts of a sword blade and relating them to the origin of the iron / steel in question is no yet possible for swords but
for the simpler lance heads. Buchwald, who is the expert for this, could not yet do it. However, using all the modern analytical
techniques will one day allow to determine specific "markers" for a given blade, a kind of fingerprint, that will
allow to place it into a specific context - as soon as the required large data base has been implemented. |
 |
All of the above relied on Buchwald's and Maeder's work. Is here anything else?
There certainly is - I just couldn't find most of it. Or it is outdated. The stuff I found was often published in rather
obscure journals so it is hard to know what else is out there. But whatever there is, it is not much. So I give you only
one more example here and some more in a a link to a science module hub. I hope that the number of examples covered there
will increase with time. |
|
 |
Jiri Hoek and Jiri Kota 4)
published a paper in (probably 2013) about the metallurgical analysis of two swords found in graves in the Stará
Kourim stronghold (Kourim, Kolín District), located in central-eastern Bohemia, Czech Republic; not far from Prague.
The swords are from about 825± - 975±. One was pattern welded (akin to the Ingersheim sword but with four twisted striped rods an both sides), one was not. Here is one of
the many pictures they produced. It shows part of the cross-section of the pattern welded sword |
|
|
| |
| |
| | |
 | | Section of the pattern welded sword |
|
| |
| |
|
 |
Their major results, in short, are:
- The core consists of fine-grained eutectoid steel (i.e. 0.7 % C).
- The twisted rod panels consist of ferritic-pearlitic layers (about 0.5% C) and phosphorous ferrite.
- Some of the welding lines are accompanied by chains of very fine inclusions and welding is not always perfect.
- The welded-on cutting edges contained hypereutectoid cementite - pearlite structures with a carbon content of up to 1.4%.
- The blade was cooled down rather quickly but was not really hardened, presumably because the hypereutectoid edges were
already hard enough.
- The steel for the edges might be crucible steel ("wootz")
imported from the South-East.
|
 |
What do we learn from this? First, that phosphorous steel was still used for pattern
making. Second, that fire welding is a tricky business. Third and most
important, that some smith finally had a good knowledge of carbon steel. If the high carbon stuff was actually imported
from the South or produced in local bloomeries (definitely possible according to the authors) doesn't matter. It has been
recognized for its value and could be procured somehow. Personally I tend to believe that the use of high-carbon steel
went hand-in-hand with a better control of local bloomery processes since large amounts of wootz imports should have left
some traces in the literature. But that is just an opinion; we will encounter some evidence for wootz imports right in the
next chapter. |
|
 |
That's it. I have not found much more than that offers new insights onto the metallurgy
of the pattern welded swords. But more and more people are at it. Time will tell! |
| |
| |
© H. Föll (Iron, Steel and Swords script)